√完了しました! 断熱工法 204439-断熱工法 木造
上下折板の間に断熱材を敷込む、熱エネルギーのロスを防止する省エネ工法。 既設折板の上に葺上げも可能です。 スライド金具の屋根耐火30分耐火構造個別認定(SV2・新SV2・ 新々SV2型 用)3.気密性と断熱性 形状記憶合金で通気口から冷気を遮断し、冬の冷え込みを抑えます。 壁の中に空気の層ができて、家の中の気密性を断熱性がアップします。 気温が低下すると各通気口は自動的に閉じて、冷たい空気の侵入を防ぎます。 壁の中の空気を動きにくくすることで、室内暖房の熱が逃げにくくなり断熱性がアップします。 夏の通気性とは一変、家はシーカプラン接着断熱仕様 ついに、類を見ない接着断熱を実現! 当社の接着断熱工法はハイクオリティは当たり前。 ハイスピードで差別化します。
 
 注文住宅の断熱工法 充填断熱と外張り断熱はどっちがお得 Iesaku注文住宅ラボー建築士と学ぶ失敗 後悔しない家づくり
断熱工法 木造
断熱工法 木造-KBハゼ折板二重葺断熱工法 (耐火構造) 屋根30分耐火構造 FP030RF0039 FP030RF0923 ・ハゼ用特殊金具を使用し、二重折板の間に断熱材を敷き詰める事で、断熱性が向上し、冷暖房のロスを抑える効果があります。二重葺断熱工法 KR166ハゼ の特徴 <断熱性にすぐれたコイケルーフハゼ二重葺断熱折板> 金属屋根は温度変化による熱伸縮のために音鳴り現象を起こす場合があります。 上葺材:06以上 下葺材:06以上 許容梁間:KR166ハゼの許容梁間を適用下さい



Rc造外断熱工法 クラスpbの特徴 ウッドブリース工法 ウッドブリース外断熱 建材 株 高本コーポレーション
基礎断熱は、文字通り「外気に面する基礎で断熱する」方法です。 こうすることによって、床下を建物内部の一部として扱うため、床面での断熱施工は不要になります。 次に、基礎を断熱する方法について見てみましょう。 単に「基礎に断熱する」と言っても、断熱方法は色々とあり、暖房方法をどのようにするかでは、十分注意しないとならない施工ポイント 木造住宅で使われる断熱工法は、「充填工法」「外張り工法」の大きく2種類に分けられます。 2つの工法に優劣はなく、しっかり施工されていればどちらも十分に外の寒さや暑さを防いでくれます。 充填工法 外張り工法 柱などの構造材のすきまに断熱材を充填する方法。 外壁と内壁の間の空間を埋める。 柱などの構造材の外側を断熱材ですっぽりくるむ方法外張断熱工法 構造材の外側に スタイロフォーム を用いて断熱層を設ける工法です。 構造体の外側に気密層を施工しますので、施工性と気密性の確実性が高まります。
1断熱工法は大きく分けて2つあります 木造住宅の断熱工法は、大きく分けて「充填断熱」と「外張断熱」の2つがあります。 鉄筋コンクリート造の住宅では外張断熱が多く採用されますが、木造住宅において2つに優劣はありません。 充填断熱でも外張断熱でも綿密な計画のもとしっかりとした施工がされれば、住まいを冬暖かく夏涼しい快適空間にするという目的Wb工法の資料は? 通気断熱wb工法の由来 wb工法は量産ハウスメーカーには出来ない! wb工法のシロアリ対策は? wb工法 脱ビニール宣言! お医者さんが奨めるwb工法 wb工法「省エネ君ヨドマーズ」とは? wb工法 透湿ルーフィング「ルーフラミテクトrx」とはグラスウール充填断熱工法 グラウウール充填断熱工法は、グラスウールの標準的施工方法です。 隙間なく、防湿・気密層をしっかりと連続して施工をすることでグラスウールの断熱性能が発揮されます。 ここでは、グラスウールの標準的な充填断熱施工方法の部位毎のポイントを紹介します。
断熱工法・断熱材の種類 断熱工法は構造によって使い分けることが基本です。 木造には充填断熱工法、鉄骨造には外張り断熱工法、RC造には外断熱工法が適しています。 ただし断熱工法の比較をしても、断熱材の優劣を議論しても、正しく施工されなければ無意味です。 断熱工法や断熱材の選択で快適な家が実現されるのではなく、それを実際に施工する職人の断熱工法は、大きく次の様に分けられます。 ①外壁の空間に設置する 「充填断熱工法」 ②外壁の構造材(柱など)の外側表面に材料を貼る 「外張断熱工法」 (※①を内断熱工法、②を外断熱工法とも呼び抜群の透湿性と断熱性で 快適な暮らしを約束する eifsのいえ イフス(eifs)とは、建築物全体を断熱材ですっぽりと包み込む建築工法のこと。 建物の外側からオーバーコートのようにくるむことで外気温の影響を少なくし、夏は涼しく、冬は暖かい、"常春"のような快適空間を実現します。
 
 


外断熱 構造 工法 富山の注文住宅 セキホーム



5 中に詰めるか 外から張るか 人と住まいの健康のために 断熱のすすめ ネオマフォーム ネオマジュピー ネオマゼウス 旭化成の断熱材
屋上断熱防水工法 屋上断熱防水用工法は、断熱材アキレスボードと屋上防水材を組み合わせた外断熱工法です。 この屋上断熱防水工法は、建物躯体の日射による温度上昇や、外気温度低下による室内温度の低下を防ぎます。 これにより、躯体の温度が年間を通して安定し建築物の暖冷房負荷を低減し、省エネルギーの効果を発揮すると共に、躯体を長寿命化するRc打込断熱工法 特長 断熱材を合板型枠に取り付けてコンクリート同時打ち込みが可能です。 ウレタン両面に防湿層付無機系成形面材を配し、コンクリートと強固に接着します。 施工手順 1 型枠合板にアキレスボードagを仮止めして下さい。
 
 


基礎断熱工法用断熱ブロック Hib 3040 00mm 業務用建材 建築資材の通販サイト ソニテック
 
 


外張断熱工法について 一般社団法人 発泡プラスチック建築技術協会 B Cep
 
 


外張断熱工法 外壁リフォームの工法 外まわりリフォーム 屋根材 外壁材 雨といのケイミュー
 
 


外張り断熱工法 硬質ウレタンフォーム 株式会社木の国工房 こだわりを大切にする人と感動し合える家づくり



M9jb3i0a7540b5kp3ja36tcpqymr Com Soto Dannetsu Merit
 
 


住研ハウスはあたたかい家 新築 注文住宅は住研ハウス 苫小牧 千歳 恵庭 札幌でデザイン 性能にこだわった家づくり
 
 


木造住宅の壁に使われているeps湿式外断熱工法用断熱材
 
 


2 4 2 6内外w断熱工法 仕様構造 青森 岩手 秋田の注文住宅 新築住宅 土地ならハシモトホーム
 
 


外断熱と内断熱の特徴とポイント マイホーム 家のことなら徳島のダイヒョウ株式会社へ Daihyo Tv
 
 


外断熱について Rc外断熱工法の選び方
 
 


外断熱工法 外断熱工法で建てる注文住宅 サーラ住宅 住宅メーカー ハウスメーカー 注文住宅
 
 


サンバント 工法紹介 外断熱設計サポートサイト 東邦レオ



用語解説 外張断熱工法 外断熱工法 外側断熱工法 秋田ハウス 株
 
 


建物の断熱性と熱容量 通販モノタロウ
 
 


誠也の部屋 付加断熱工法について 立山建設
 
 


注文住宅の断熱工法 充填断熱と外張り断熱はどっちがお得 Iesaku注文住宅ラボー建築士と学ぶ失敗 後悔しない家づくり
 
 


木造住宅に充填断熱が適している理由 お施主様向け特設ページ グラスウール断熱材 吸音材のマグ イゾベール 株
 
 


ケイミュー 重ね張り外張断熱工法 bxカネシン



日本の外張断熱工法のパイオニア Shs工法とは 東北shs会
 
 


省エネ 遮熱外張り断熱工法 木造の技術 テクノロジー なぜダイワハウスなのか 注文住宅 ダイワハウス
 
 


断熱工法 屋根断熱と天井断熱 屋根断熱と天井断熱 の違い バッチリわかる一級建築士のブログ
 
 


外断熱と内断熱の違い 外断熱工法の基礎知識 神奈川県横浜市 奈良建設
 
 


ホームズ 充填断熱工法とは 充填断熱工法の意味を調べる 不動産用語集
 
 


断熱工法の種類 省エネ 温暖化防止 リサイクルに貢献するグラスウール断熱材 硝子繊維協会



外張断熱工法 住宅の特徴 基本はきっちり閉じられる家 高断熱 高気密住宅専業工務店ハリマハウス
 
 


充填vs外張り どっち 第6回 断熱工法の比較 高断熱住宅の基礎知識 Jfeロックファイバー株式会社
 
 


外断熱工法で暖かい家を建てた実例7 札幌 北見 網走
 
 


外断熱と内断熱の違い 有限会社キノハウジング
 
 


非歩行 アンカー固定断熱工法 検索結果 施工方法 製品情報 アーキヤマデ株式会社
 
 


外断熱と内断熱の違い 有限会社キノハウジング



Kurumuの外断熱工法 外断熱住宅 Kurumu



株式会社タケウチ工務店 外断熱工法 内断熱工法
 
 


Y6zywa4iey2lwm



断熱工法の違い オザワホーム 山梨県で外断熱 高気密の地熱住宅 新築一戸建て住宅 山梨県韮崎市 北杜市周辺の土地 中古住宅不動産情報



Q Tbn And9gctybp 6zllg48fwfl0syaulmyw7fa Cnm7nerlg8vxqq1gxkvt5 Usqp Cau
 
 


外壁通気工法 外断熱工法の住宅にお住まいの方へ エクスショップ
 
 


注文住宅の断熱材工法を比較しよう 注文住宅の費用や相場
 
 


ドイツの外断熱工法 検討中 水戸市の注文住宅ライフボックス 性能ばっちり納得価格デザイン力
 
 


外張断熱工法について 一般社団法人 発泡プラスチック建築技術協会 B Cep



外張断熱工法 佐七建設
 
 


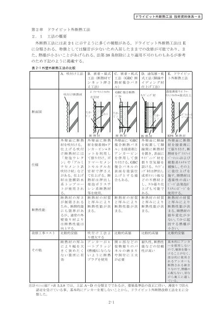
2 1 第2章 ドライビット外断熱工法 2
 
 


高性能トリプル断熱工法 愛知県尾張旭市 外断熱の注文住宅とリフォームは秋田建設
 
 


高気密高断熱 オスカーホーム 富山 石川 福井 新潟
 
 


外張断熱工法の種類と特徴 浜松 名古屋 豊橋で健康住宅の一戸建て 注文住宅ならアイジースタイルハウス
 
 


外断熱工法とは 新 高性能注文住宅を低価格で自由設計注文住宅のすみやす家 Com 全館空調システム研究会



木造住宅の外断熱工法 外張り断熱 屋根断熱 基礎断熱 神奈川 横浜 東京



ウッドブリース 木造外張り断熱工法 クラスwb ウッドブリース工法 ウッドブリース外断熱 建材 株 高本コーポレーション
 
 


木造住宅の断熱工法と断熱材の種類 特徴 建築資材の検索なら建材ナビ
 
 


充填断熱工法 工法 アキレスの断熱ボード 断熱パネル製品
 
 


充填vs外張り どっち 第6回 断熱工法の比較 高断熱住宅の基礎知識 Jfeロックファイバー株式会社



1
 
 


充填vs外張り どっち 第6回 断熱工法の比較 高断熱住宅の基礎知識 Jfeロックファイバー株式会社
 
 


木造住宅に充填断熱が適している理由 お施主様向け特設ページ グラスウール断熱材 吸音材のマグ イゾベール 株



基礎断熱工法 とは 建築工事 住宅建築専門用語辞典
 
 


Rc造住宅の壁に使われている湿式外断熱工法の施工説明
 
 


断熱材を考える 株式会社前田工務店
 
 


ダブル断熱工法 ヤマシタ工務店
 
 


湿式外断熱工法q A スタッフブログ



Dm外断熱工法 オザワホーム 山梨県で外断熱 高気密の地熱住宅 新築一戸建て住宅 山梨県韮崎市 北杜市周辺の土地 中古住宅不動産情報
 
 


断熱材の種類と特徴 断熱工法にも違いあり スタッフ日誌 リフォームのtakeuchi



断熱工法を比べてみよう 断熱住宅 Com
 
 


安心快適な家づくりをお約束 工法 性能 ウッディークラフト 中標津 釧路 北見の新築 注文住宅の住宅会社
 
 


居心地 を作り出す高性能住宅 コンセプト 香川 高松でリゾートのようなデザイナーズ住宅ならファンホーム



株式会社サンクビット ドライビット アウサレーション と他の外断熱工法との比較



技術紹介 株式会社紅梅組



2



w断熱工法について 小松宅建 千歳市の賃貸ならトップラン 新築ならコマツホーム
 
 


内外断熱工法 平山建設株式会社の公式ホームページ
 
 


外断熱ハイパール工法 Rc外断熱 ハイパール工法 の実績no 1 株式会社テスク
 
 


ドイツの外断熱工法 検討中 水戸市の注文住宅ライフボックス 性能ばっちり納得価格デザイン力



外張断熱工法 株式会社ワダビルド 大阪市東住吉区 新築 分譲 住宅



2 工法の違い ハイブリッド エコ ハートq と一般工法 ハイブリッド エコ ハートq
 
 


断熱性能を高める 家づくりで失敗しない 新築戸建ての家づくりガイド
 
 


エア断は どんな断熱材でも その性能をアップさせる補助断熱工法 家づくり 暮らしコラム 北山建築 三重県松阪 伊勢 津で自然素材のおしゃれな注文住宅を建てる工務店
 
 


断熱工法 断熱材の種類 高気密高断熱と蓄熱式床暖房の注文住宅なら株式会社ウェルダン



1
 
 


グラスウール充填断熱工法
 
 


マンションの外断熱改修 前編 どんな工法 内断熱との違いとそのメリットとは スーモジャーナル 住まい 暮らしのニュース コラムサイト
 
 


構造体の比較 外張り断熱工法と充填工法 戸建住宅 押出発泡ポリスチレン工業会
 
 


第139回 すっぽり断熱 外張り断熱工法 のすすめ 初鹿 史典の熟成を楽しむ



外断熱工法 外張り断熱工法 とは



商品ニュース アイカ工業株式会社



5 中に詰めるか 外から張るか 人と住まいの健康のために 断熱のすすめ ネオマフォーム ネオマジュピー ネオマゼウス 旭化成の断熱材



ようこそ株式会社オビナタのホームページへ 断熱工法について
 
 


断熱工法の種類 省エネ 温暖化防止 リサイクルに貢献するグラスウール断熱材 硝子繊維協会



Rc造外断熱工法 クラスpbの特徴 ウッドブリース工法 ウッドブリース外断熱 建材 株 高本コーポレーション
 
 


断熱工法の種類を比較 特徴を知って検討しよう 家のこと 家を建てる ナチュリエいえばなし ナチュリエ



外断熱工法 株式会社北芝建設



アルセコ外断熱システム
 
 


断熱工法の比較 充填断熱or外張り断熱
 
 


外張り断熱工法 九州の高断熱 高気密住宅なら 株式会社フビロ



高気密高断熱の内外断熱工法 大九建設株式会社
 
 


外断熱工法と内断熱工法の違い 比較 Rc マンション 新築の外断熱 ルネス工法は株式会社丸二へ



日本の外張断熱工法のパイオニア Shs工法とは 東北shs会



Kurumuと他社の外張り断熱 外断熱工法の比較 外断熱住宅 Kurumu
 
 


株式会社サンクビット 外張り断熱工法 木造
 
 


外張り断熱工法 工法 アキレスの断熱ボード 断熱パネル製品



付加断熱工法 木造建築 フェノバボード 高性能フェノールフォーム断熱材 フクビ化学工業



1
 
 


木造住宅に充填断熱が適している理由 お施主様向け特設ページ グラスウール断熱材 吸音材のマグ イゾベール 株
 
 


外断熱工法 外断熱工法で建てる注文住宅 サーラ住宅 住宅メーカー ハウスメーカー 注文住宅



技術紹介 株式会社紅梅組

 

コメント
コメントを投稿